The Korean Society of Marine Engineering
[ Original Paper ]
Journal of Advanced Marine Engineering and Technology - Vol. 50, No. 1, pp.51-58
ISSN: 2234-7925 (Print) 2765-4796 (Online)
Print publication date 28 Feb 2026
Received 01 Dec 2025 Revised 22 Jan 2026 Accepted 22 Jan 2026
DOI: https://doi.org/10.5916/jamet.2026.50.1.51

Development of load sharing and control strategies for sea trial of an eco-friendly power source interconnected system based on driving mode classification

Jaehoon Jung ; Jaegon Choi1 ; Seongwoo Jeong2
1Senior Manager, Technology & Research Institute, KTE co., ltd., Tel: +82-51-600-3562 jgchoi2@kte.co.kr
2Executive director, Technology & Research Institute, KTE co., ltd., Tel: +82-51-600-3550 swjung@kte.co.kr

Correspondence to: Ph. D., Senior Manager, Technology & Research Institute, KTE co., ltd., 95-12, Noksansaneop-daero, Ganseo-gu, Busan 46752, Korea, E-mail: jhjung@kte.co.kr, Tel: +82-51-600-3558

Copyright © The Korean Society of Marine Engineering
This is an Open Access article distributed under the terms of the Creative Commons Attribution Non-Commercial License (http://creativecommons.org/licenses/by-nc/3.0), which permits unrestricted non-commercial use, distribution, and reproduction in any medium, provided the original work is properly cited.

Abstract

In response to strengthening marine environmental regulations, we propose an integrated energy management system (IEMS)-based control strategy to safely perform the sea trial of an eco-friendly alternative fuel power source (EFPS). The IEMS logic distinguishes operating states into Base, ST, and EFPS Modes. Transition to EFPS Mode requires an IEMS to detect that the load of the main generator has reached the minimum necessary load level, thereby releasing the interlock. Through a load profile simulation, we confirmed that, in EFPS Mode, IEMS output limiting control maintains the main generator output at this minimum level, ensuring that the EFPS precisely takes on all incremental loads. System safety is further secured by the reliable operation of immediate EFPS isolation and a forced return sequence to Base Mode during an emergency. The load-sharing and control strategies verified in this study completed class certification and were successfully mounted on a test vessel. This establishes a safe and controlled operational environment for an EFPS interconnected system, with the final verification in the actual operating environment scheduled to align with future test voyage dates.

Keywords:

Integrated energy management system (IEMS), DC microgrid, Operating mode classification, Load-sharing control, Eco-friendly power source, Maritime demonstration test

1. Introduction

Environmental pollution is a major contributor to global warming and climate change [1], and regulations have been strengthened worldwide in response [2]. The maritime industry also applies stringent regulations to ship exhaust gas emissions in accordance with the greenhouse gas reduction strategy set by the International Maritime Organization (IMO) [3]. To comply with these regulations, active research is underway on the application of electric-based power sources such as batteries and fuel cells in vessels [4]-[6]. In this paper, we primarily focus on such eco-friendly alternative fuel power sources (EFPSs) [7, 8].

Although an EFPS must undergo a rigorous approval process for installation on a vessel [9], shore-based testbed trials have limitations in reflecting the dynamic load fluctuations that occur during actual sea operation [10]. Therefore, a sea trial process, in which an EFPS is installed on a ship and tested in a marine environment, is essential for securing its reliability [11]. During this sea trial process, the top priority is to protect the main generator (MG) and maintain the core operational functions of the vessel in the event of unpredictable operating characteristics or faults in the EFPS. To address this, we propose an operational logic that classifies the operating modes within the control domain of an integrated energy management system (IEMS) and performs stable load sharing while protecting the MG during EFPS testing [12]-[14]. The performance and safety of the proposed IEMS logic were verified using a load-profile-based simulation.

The remainder of this paper is organized as follows. Section 2 analyzes the system configuration of the test vessel for the sea trial of an EFPS and related research trends. Section 3 defines the operating modes, core control logic of the proposed IEMS, and design details of the load profile for verification. Section 4 explains the simulation environment and parameter settings used to verify the proposed logic. Section 5 presents and discusses the verification results regarding the validity of the control logic through the analyses of an IEMS status display and converter output waveform. Finally, Section 6 presents the conclusions of this study.


2. Target System Configuration and Modeling Strategy

2.1 DC Microgrid Topology and Grid Converter Configuration

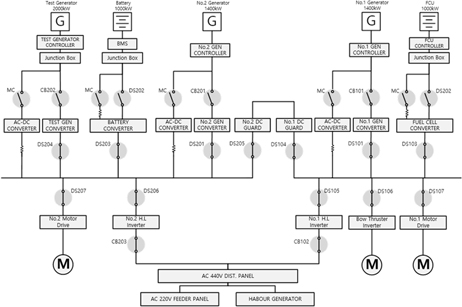
The power system of the target vessel was constructed as a DC microgrid-based distribution system with a DC 1000V level voltage for the performance testing of a heterogeneous EFPS in a marine environment. This topology complies with international maritime regulations and DC distribution standards [15], minimizes the energy conversion stages compared to existing AC systems to increase efficiency, and facilitates the interconnected operation of heterogeneous eco-friendly power sources with different dynamic characteristics [16].

The main bus is composed of two independent main busbars. Main Bus No. 1 is configured with a combination of Main Generator No. 1 (AC) and Fuel Cell (DC), whereas Main Bus No. 2 is configured with a combination of Main Generator No. 2 (AC), Battery (DC), and Test Generator (AC or DC). The dual-fuel generator, battery, and fuel cell are all EFPSs subject to the sea trial and are applied to the main bus in a standalone or hybrid form, depending on the test requirements.

Each power source is connected to the main DC bus through a grid converter. AC/DC converters are used for the main generator (AC output), whereas DC/DC converters are used for the battery and fuel cell (DC output). These converters exhibit bidirectional functionality depending on the nature of the test object. Figure 1 shows a single-line diagram (SLD) of the DC microgrid configuration of the target vessel.

Figure 1:

Single-line diagram (SLD) of the target-vessel DC microgrid

2.2 Load Operation Strategy and Grid Converter Model Application

This system applies an operating strategy that leverages high-load devices already installed on a vessel as substitutes for the test load. The IEMS plays a pivotal role in efficiently managing these dynamic loads and creating the conditions necessary for testing [17].

To verify the macroscopic operational management logic of the IEMS and ensure simulation efficiency, an average-value model is applied instead of a detailed switching model for each grid converter [18]. This model is suitable for verifying the effectiveness of high-level control commands, because it effectively reflects the instantaneous load distribution characteristics of the converter within the second-scale control timeframe of the IEMS.

2.3 IEMS Control System Configuration

The IEMS comprises a combination of a computer-based supervisory control and data acquisition (SCADA) system and a programmable logic controller (PLC)-based local control unit, considering the ease of system configuration and maintenance. In particular, core logic such as power source commissioning/isolation and mode transition control, which require real-time data processing and high reliability, is configured on a PLC-based control system. This PLC-based control system is suitable for functional testing and simulator development of the power management system of a ship and can satisfy the high reliability requirements of marine operating environments [19].


3. Proposed Operating State Classification and Control Logic Based on IEMS

The core objective of the IEMS is to clearly separate the normal operating conditions of the vessel from the test conditions and to protect the base operational power grid of the vessel from being affected by abrupt load fluctuations or faults that may occur during testing.

3.1 Definition of Core Operating Modes and DC Voltage Forming Entity

The IEMS classifies the operating state into Base Mode (M1), ST Mode (M2), and EFPS Mode (M3) according to the connection status of the switchboard and the operational objective. Table 1 lists the details of the operating state classification.

Operating mode of IEMS

DC Voltage Control and Test Power Source Commissioning Conditions: The main DC bus voltage is established by the output of the main generator-side grid converter, and the EFPS, which is the test object, operates in a grid-following manner by tracking the main bus voltage. The IEMS explicitly incorporates safety control logic that immediately outputs a stop command for the EFPS based on a grid-converter fault signal, such as a voltage tracking failure, during EFPS operation. Figure 2 shows the overall operating-mode state transition diagram.

Figure 2:

State transition diagram for the IEMS operating modes

3.2 Detailed Control Logic for Each Proposed Operating Mode

3.2.1 ST Mode (M2) Control Logic

Test Condition Fulfillment Confirmation and Interlock Release: ST Mode is an essential intermediate protection step for safe transition from M1 to M3. At this stage, the IEMS verifies that the load allocated to the main generator (Gen. 1/2) is at the preset minimum fixed load level (approximately below 200 kW) after the operator manually reduces it. The IEMS confirms that the current load state and other safety conditions are met and then performs the operation to release the previous interlock condition to enable the commissioning of the EFPS.

3.2.2 EFPS Mode (M3) Control Logic
  • 1) Test Load Monitoring and Protection Interlock: EFPS Mode is the core operating mode for performance testing of an EFPS. The role of the IEMS focuses on monitoring the current state and executing safety protection functions in the event of an anomaly.
  • 2) Main Generator Output Limitation: The IEMS manages the operation of the converters to ensure that the main generator output does not exceed the setpoint. The grid converter on the main generator side is output-limited to maintain the output level designated by the IEMS, thus preventing it from exceeding the minimum fixed load. All incremental loads applied to the vessel beyond this limited output are automatically shared by the converter of the test power source.
  • 3) Emergency Response: The IEMS monitors the power flow and voltage stability in real time during the test. If an abnormal situation (Fault, E-Stop), such as a voltage tracking failure or overcurrent, occurs on the main generator or the EFPS converter side, it immediately executes an emergency response. In this event, the IEMS initiates the sequence to return to Base Mode (M1) and performs a protective action to isolate the test power source. The IEMS does not directly manipulate current and power values; instead, it ensures system safety through the output-limiting characteristics of the local converter and high-level protection interlocks in response to fault signals.

3.3 Load Profile Design and Operating Logic Verification

The primary role of the IEMS is to secure the operational stability of the switchboard system of the vessel and establish a safe test environment through the main-generator output limiting management and EFPS load-sharing control. The load profile designed to verify this is not merely a simple load pattern, but also serves as an input signal to trigger the IEMS mode transition (start phase) and safety return (end phase) logic. In this study, the core operating logic was verified by configuring the start and end segments of the profile as follows:

  • 1) Initial Mode Transition and Interlock Release Verification (Start Phase): The initial segment of the load profile was designed to verify the transition process from normal operation (M1) through test preparation (M2) to entry into the test mode (M3). Figure 3 illustrates this initial stage, showing a pattern in which the main generator load gradually decreases, reaches, and stabilizes at a minimum fixed load level. The IEMS detects this physical load change, confirms that the essential condition for the M3 transition is met, and executes the logic to release the interlock for EFPS commissioning.
  • 2) Verification of Test Termination and Emergency Return Sequence (End Phase): The ability to safely return during a normal test termination or in the event of an emergency is the most critical safety function of an IEMS. Figure 4 illustrates the termination section of the load profile, which simulates abrupt load fluctuation scenarios that occur when the test load is removed or when the EFPS is isolated. We verified that the IEMS immediately isolates the test object (EFPS) and performs a forced mode change to Base Mode (M1), in which the main generator stably takes over the remaining load to restore the system.
  • 3) Verification of Physical Implementation Accuracy of the Load Sharing Logic:
  • ㆍ The load profile is applied to induce a sudden load fluctuation during EFPS Mode (M3) operation, thereby verifying whether the IEMS outputs the load-limiting command to the converter in a timely manner. Successful execution of this control command is confirmed by observing the load applied to the main bus, where the main generator output is maintained without exceeding the set minimum fixed load.
  • ㆍ Ultimately, by confirming that all incremental loads applied through the load profile are accurately shared solely by the EFPS, it is proven that the implementation of the IEMS operating logic precisely achieves the power distribution objective of the switchboard system.
Figure 3:

Load profile for initial load fluctuation and mode transition sequence

Figure 4:

Load profile for test termination and emergency return sequence

The load profile designed according to these verification goals was used as the core input data to verify the IEMS control logic in the simulation-based operation verification strategy outlined in Section 4.


4. Simulation-Based Operation Verification Strategy

4.1 Load Profile Configuration and Utilization

The load profile for verification was designed to reflect various load fluctuation scenarios required under the test conditions and served as the core input data for IEMS operational logic decisions. Figure 5 shows a typical load profile for the EFPS Load Test across the entire sequence, including the EFPS-Mode entry process. This profile encompasses the entire sequence, starting from the M1 state, where the main generator load decreases (M2 sequence) to reach the minimum fixed load, followed by EFPS commissioning and a subsequent load increase.

Figure 5:

Load profile for the entire sequence of the EFPS-Mode load test

4.2 Major Load Sharing and Control Logic Verification Goals

This simulation verification focuses on proving whether the IEMS high-level control logic accurately distributes and manages the output between the main power source and the EFPS under load fluctuation conditions, excluding the analysis of voltage fluctuation characteristics. The main verification goals were as follows:

  • 1) Mode Transition Condition Detection and Interlock Release Verification (M1 -> M2 -> M3):
  • ㆍ Verification Goal: To confirm the precise timing of the operating logic when the IEMS accurately detects that the main generator load has reached the set minimum fixed load level in ST Mode (M2) and subsequently releases the interlock condition for EFPS commissioning. This confirms the capability of the IEMS for load-state monitoring and logical decision-making in the mode transition sequence.
  • 2) Verification of EFPS Mode Output Limitation and Load-Sharing Accuracy:
  • ㆍ Verification Goal: To confirm whether the main generator output is maintained without fluctuation at the minimum fixed load level through the IEMS load-limiting command during EFPS Mode (M3) operation.
  • ㆍ Verification Content: To validate the effectiveness of the power distribution logic, all applied incremental loads were entirely allocated to the EFPS rather than to the main generator.
  • 3) Verification of Emergency Situation Sequence and Safety Return Logic:
  • ㆍ Verification Goal: To confirm whether the IEMS recognizes a fault signal during testing, the mode specified by the operator is overridden, and an immediate isolation command for the test power source is executed.
  • ㆍ Verification of the speed and stability of the protection interlock; the switchboard operating status is forcibly returned to the Base Mode (M1) logic state, thereby blocking the restart of the test power source while the EFPS output swiftly returns to zero.

5. Simulation Results and Discussion

The operating logic and control performance of the IEMS were verified using the load profile described in Section 4 as the input condition. The status changes in the internal IEMS logic were confirmed via the HMI status display screens (Figure 6-8), and the physical implementation accuracy of the control logic was proven through the converter output waveforms (Figure 9-12).

Figure 6:

Base-Mode HMI status display screen

Figure 7:

ST-Mode HMI status display screen

Figure 8:

EFPS-Mode HMI status display screen

Figure 9:

Load response waveforms during the mode transition process

Figure 10:

Load-sharing response waveforms during EFPS mode operation

Figure 11:

Load response waveforms during normal shutdown sequence

Figure 12:

Load response waveforms during emergency stop sequence

5.1 Simulation Environment and Major Parameter Configuration

The simulation was configured primarily around the core of the IEMS control logic with the generator capacity information and initial limit settings specified as parameters. Operator commands for Start, Stop, and Emergency Stop were directly input to the control logic. The bus power requirements and output waveforms of the parallel-connected converters were measured and analyzed. In the waveform plots, the main generator output limit setpoint designated by the IEMS is shown as a red horizontal line, the main generator (Gen.1/2) output as a blue line, and the test power source (EFPS) output as a green line.

5.2 Analysis of Logic Execution Sequence via IEMS Status Display Screen

The IEMS HMI was utilized to demonstrate the sequential execution of the internal logic by displaying the operating status, mode flags, interlock status, and other related information.

5.2.1 Confirmation of Interlock Release during the Mode Transition Process (M2 -> M3)
  • • Verification Content: The ST Mode area in Figure 7 confirms that the ST Mode entry interlock is released only when the main generator load is below the minimum load level (MG Minimum Load Lev.). The simulation results presented in Section 5.3.1 (Figure 9) show that the moment the main generator load reached the minimum load level proves that the 'MG Minimum Load Lev.' condition in Figure 7 was satisfied, and thus the IEMS executed the preceding logic for the M2 -> M3 transition.
5.2.2 Confirmation of Emergency Situation Response and Safety Return Logic
  • • Forced Return Confirmation: The Base Mode area in Figure 6 represents the safe default state. Upon receiving an emergency stop command, the IEMS is forcibly switched from EFPS Mode to Base Mode. The HMI status change confirms the activation of safety protection interlock logic, which blocks the restart of the EFPS.

5.3 Validation of Control Logic Effectiveness through Converter Output Waveform Analysis

1) Load Stabilization Verification During Mode Transition

  • • Waveform Analysis: The main generator output (blue line) precisely reached and stabilized at a minimum fixed load level of 200 kW after decreasing. This signifies that the core condition for M2 mode was successfully achieved, allowing the test power source (green line) to subsequently start and enable entry into M3 mode.

2) Output Limitation and Load-Sharing Accuracy During EFPS Mode Operation

  • • Waveform Analysis: Despite the dynamic fluctuation in the load of the test power source (green line) during EFPS Mode operation, the main generator output (blue line) remained constant, closely adhering to the limit value (red line) specified by the IEMS.
  • • Discussion/Consideration: This confirms that the IEMS successfully achieved the main generator protection objective, and the accuracy of the load-sharing logic—through which the EFPS takes on all incremental loads—was demonstrated by simulation.

3) Verification of Safe Return Sequence During Normal Shutdown and Emergency Stop

  • • Normal Shutdown Analysis: At the moment of termination (Figure 11), it was confirmed that the EFPS output (green line) decreased, and the limit setting value (red line) was released. Simultaneously, the main generator output (blue line) took over the remaining load, resulting in a sequential and safe return to Base Mode.
  • • Emergency Stop Analysis: Upon receiving an emergency stop command, the output of the test power source (green line) was immediately isolated to zero, and the limit setting value (red line) was released (Figure 12). This validates the safety protection interlock logic, in which the IEMS forcibly terminates the mode and swiftly returns to Base Mode through the isolation of the test power source operated with high reliability.

6. Conclusion

In this study, we validated a proposed mode-specific control logic and load-profile-based verification methodology for a DC microgrid IEMS, aiming to secure operational safety during the sea trial demonstration of an EFPS.

The IEMS ensures safe operation by clearly distinguishing between operating modes (Base, ST, and EFPS). Safety during the mode transition is guaranteed by accurately detecting the prerequisite condition—reducing the main generator load to the minimum fixed load—before releasing the interlock for the EFPS connection. Simulation results confirmed the precision of the load-sharing logic: During EFPS Mode operation, the IEMS accurately fixed the main generator output to the designated limit, ensuring that the EFPS fully managed the variable load. Furthermore, the system satisfied essential safety requirements by successfully executing immediate EFPS isolation and forced return to Base Mode upon an emergency stop command.

The mode-based load-sharing and control scheme verified in this study was successfully implemented in the IEMS of a test ship, which passed the classification society inspection. This signifies the successful establishment of a safe and controlled operating environment to demonstrate an eco-friendly power system. The final verification in a real operating environment is scheduled to be performed in accordance the upcoming sea trial schedule.

Acknowledgments

This research is conducted with the support of the Korea Institute of Marine Science & Technology promotion(KIMST), funded by the Ministry of Oceans and Fisheries.[RS-2021-KS211503(previously 20210608), Development of 1MW class Marine Test-bed for Adoptability Demonstration of Alternative Fuels]

This research is conducted with the support of the Korea Planning & Evaluation Institute of Industrial Technology(KEIT), funded by the Ministry of Trade, Industry and Energy. [RS-2023-00252883, Development of Hybrid Propulsion Ship 10MW Class DC Distribution Technology]

This research is conducted with the support of the Korea Planning & Evaluation Institute of Industrial Technology(KEIT), funded by the Ministry of Trade, Industry and Energy. [RS-2022-00142947, Development of Fuel Cell–Based Electric Propulsion System Technology Using LBTS].

Author Contributions

Conceptualization, J. H. Jung; Methodology, J. H. Jung and J. G. Choi; Software, J. H. Jung; Formal Analysis, J. H. Jung and J. G. Choi; Investigation, J. G. Choi; Data Curation J. H. Jung; Writing-Original Draft Preparation, J. H. Jung; Writing-Review & Editing, J. H. Jung and J. G. Choi; Visualization, J. H. Jung; Supervision, S. W. Jeong; Project Administration, S. W. Jeong.

References

  • International Maritime Organization, Fourth IMO Greenhouse Gas Study 2020, London, UK: IMO, 2020.
  • T. H. Joung, S. G. Kang, J. K. Lee, and J. Ahn, “The IMO initial strategy for reducing greenhouse gas (GHG) emissions, and its follow-up actions towards 2050,” Journal of International Maritime Safety, Environmental Affairs, and Shipping, vol. 4, no. 1, pp. 1–7, 2020. [https://doi.org/10.1080/25725084.2019.1707938]
  • International Maritime Organization, Initial IMO Strategy on Reduction of GHG Emissions from Ships, Resolution MEPC.304(72), 2018.
  • M. Akbarzadeh, J. De Smet, and J. Stuyts, “Battery Hybrid Energy Storage Systems for Full-Electric Marine Applications,” Processes, vol. 10, no. 11, art. no. 2418, 2022. [https://doi.org/10.3390/pr10112418]
  • G. Mallouppas and E. A. Yfantis, “Decarbonization in shipping industry: A review of research, technology development, and innovation proposals,” Journal of Marine Science and Engineering, vol. 9, no. 4, art. no. 415, 2021. [https://doi.org/10.3390/jmse9040415]
  • A. Aksöz, B. Asal, S. Golestan, M. Gençtürk, S. Oyucu, and E. Biçer, “Electrification in Maritime Vessels: Reviewing Storage Solutions and Long-Term Energy Management,” Applied Sciences, vol. 15, no. 10, art. no. 5259, 2025. [https://doi.org/10.3390/app15105259]
  • R. D. Geertsma, R. R. Negenborn, K. Visser, and J. J. Hopman, “Design and control of hybrid power and propulsion systems for smart ships: A review of developments,” Applied Energy, vol. 194, pp. 30–54, 2017. [https://doi.org/10.1016/j.apenergy.2017.02.060]
  • E. Choi and H. Kim, “Advanced Energy Management System for Generator–Battery Hybrid Power System in Ships: A Novel Approach with Optimal Control Algorithms,” Journal of Marine Science and Engineering, vol. 12, no. 10, art. no. 1755, 2024. [https://doi.org/10.3390/jmse12101755]
  • DNV, Rules for Classification: Ships — Part 6 Additional Class Notations, 2021.
  • Z. Lin, H. Chen, H. Gao, and K. Zhan, “Hardware-in-the-loop simulation of marine electric propulsion system,” in Proceedings of the 2015 IEEE Electric Ship Technologies Symposium (ESTS), Old Town Alexandria, VA, USA, pp. 104–108, 2015. [https://doi.org/10.1109/ESTS.2015.7157869]
  • Z. Jin, G. Sulligoi, R. Cuzner, L. Meng, J. C. Vasquez, and J. M. Guerrero, “Next-generation shipboard DC power system: Introduction to smart shipboard microgrids,” IEEE Electrification Magazine, vol. 4, no. 2, pp. 45–57, 2016. [https://doi.org/10.1109/MELE.2016.2544203]
  • J. H. Lee and J. S. Oh, “A study on load monitoring algorithms for EMS of hybrid electric propulsion ship,” Journal of Advanced Marine Engineering and Technology, vol. 48, no. 6, pp. 402–413, 2024. [https://doi.org/10.5916/jamet.2024.48.6.402]
  • F. Balsamo, P. De Falco, F. Mottola, and M. Pagano, “Power Flow Approach for Modeling Shipboard Power System in Presence of Energy Storage and Energy Management Systems,” IEEE Transactions on Energy Conversion, vol. 35, no. 4, pp. 1944–1953, 2020. [https://doi.org/10.1109/TEC.2020.2997307]
  • F. D. Kanellos, “Optimal power management with GHG emissions limitation in all-electric ship power systems comprising energy storage systems,” IEEE Transactions on Power Systems, vol. 29, no. 1, pp. 330–339, 2014. [https://doi.org/10.1109/TPWRS.2013.2280064]
  • IEEE, IEEE Recommended Practice for 1 kV to 35 kV Medium-Voltage DC Power Systems on Ships, IEEE Std 1709-2018, 2018.
  • R. van der Sande, A. Shekhar, and P. Bauer, “Reliable DC Shipboard Power Systems—Design, Assessment, and Improvement,” IEEE Open Journal of the Industrial Electronics Society, vol. 6, pp. 235–264, 2025. [https://doi.org/10.1109/OJIES.2025.3532095]
  • H. Lan, S. Wen, Y. Y. Hong, D. C. Yu, and L. Zhang, “Optimal sizing of hybrid PV/diesel/battery in ship power system,” Applied Energy, vol. 158, pp. 26–34, 2015. [https://doi.org/10.1016/j.apenergy.2015.08.031]
  • Y. Xu, Y. Chen, C. C. Liu, and H. Gao, “Piecewise average-value model of PWM converters with applications to large-signal transient simulations,” IEEE Transactions on Power Electronics, vol. 31, no. 2, pp. 1304–1321, 2016. [https://doi.org/10.1109/TPEL.2015.2422291]
  • J. H. Jung and S. J. Cho, “Development of a PLC-based functional test simulator for vessel power management system,” Journal of Advanced Marine Engineering and Technology, vol. 48, no. 3, pp. 138–144, 2024. [https://doi.org/10.5916/jamet.2024.48.3.138]

Figure 1:

Figure 1:
Single-line diagram (SLD) of the target-vessel DC microgrid

Figure 2:

Figure 2:
State transition diagram for the IEMS operating modes

Figure 3:

Figure 3:
Load profile for initial load fluctuation and mode transition sequence

Figure 4:

Figure 4:
Load profile for test termination and emergency return sequence

Figure 5:

Figure 5:
Load profile for the entire sequence of the EFPS-Mode load test

Figure 6:

Figure 6:
Base-Mode HMI status display screen

Figure 7:

Figure 7:
ST-Mode HMI status display screen

Figure 8:

Figure 8:
EFPS-Mode HMI status display screen

Figure 9:

Figure 9:
Load response waveforms during the mode transition process

Figure 10:

Figure 10:
Load-sharing response waveforms during EFPS mode operation

Figure 11:

Figure 11:
Load response waveforms during normal shutdown sequence

Figure 12:

Figure 12:
Load response waveforms during emergency stop sequence

Table 1:

Operating mode of IEMS

Mode Name Primary IEMS Control Objective DC Voltage Forming Entity and Role
M1 Base Mode DC Voltage Stabilization and Normal Vessel Load Supply Main Generator Grid Converter (Grid-Forming)
M2 ST Mode Establishment of Stable Test Mode Environment Main Generator Grid Converter (Grid-Forming)
M3 EFPS Mode Verification of Test Object Output and DC Voltage Maintenance Main Generator Grid Converter (Grid-Forming)